Departamento de Engenharia Elétrica
A representação da rede é feita por:
Nós: Barras, barramentos, postes, etc.
Fontes: Gerador, fontes de tensão, fontes de corrente, etc.
Circuitos: Linha (transmissão ou distribuição), alimentadores, transformadores, etc.
Cargas: Potência constante consumida, impedância constante , etc.
Os sistemas elétricos de potência podem ser representados graficamente através de:
Diagrama unifilar:
Diagrama multifilar:
Diagrama equivalente por fase:
Representa os principais componentes por símbolos e suas interconexões com a máxima simplificação e omissão do condutor neutro.
Representa apenas uma fase do sistema.
Representam sistemas monofásicos ou trifásicos.
Os diagramas multifilares podem ser bifásicos ou trifásicos.
Representa os principais componentes por símbolos e suas interconexões com a máxima simplificação e omissão do condutor neutro.
Representa as grandezas normalizadas.
Usado para mostrar os dados de impedância de geradores, linhas, transformadores, capacitores, cabos, etc.

Exemplo de uso no ONS:
Expressa as grandezas elétricas em um circuito de forma normalizada, com base em valores pré-determinados.
$\small pu = \frac{Valor \ dimensional}{Valor \ base}$
Vantagens da Representação em pu:
Normaliza ou referencia as grandezas com dimensão.
Torna possível a comparação de desempenho entre equipamentos.
Os parâmetros dos equipamentos expressos em pu tendem a situar-se em uma faixa estreita de valores, tornando os erros mais evidentes.
Elimina os enrolamentos de um transformador ideal quando a relação entre as tensões de base é igual à relação entre as tensões nominais dos enrolamentos de primário e secundário.
Vantagens da Representação em pu:
O uso do fator $\small \sqrt{3}$ é eliminado nas relações entre tensão de linha e de fase, e na definição de potência trifásica.
O fator 3 é eliminado na equivalência de cargas em estrela e delta, e na relação entre potência trifásica e monofásica.
O circuito trifásico é analisado como um circuito monofásico.
A potência de base é monofásica $\rightarrow$ $\small S_{b,1\phi}$.
A tensão de base é a tensão de fase $\small \rightarrow$ $V_{b,1\phi}$.
Potência aparente em pu:
Tensão em pu:
Corrente em pu:
Impedância em pu:

Seja um sistema do tipo gerador-linha-carga. Sabe-se que a carga absorve 100 kVA com fp=0,8 indutivo, quando alimentada a 200 V, e que a impedância da linha é 0,024+j0,08 $\small \Omega$. Calcular, em pu:
(a) A impedância da carga, em pu.
Usando como valores base os valores de potência e tensão da carga (100 kVA e 200 V, respectivamente), a corrente e impedância base são:
$\small I_b = \frac{S_b}{V_b} = \frac{100 {\rm{kVA}}}{200 {\rm{V}}} = 500 {\rm {A}}$
$\small Z_b = \frac{ V_b^2 }{S_b} = \frac{ \left({ 200 {\rm{V}} }\right)^2 }{100 {\rm{kVA}}} = 0,4 \Omega$
Assim, a impedância da linha $\small z_l$, em pu, é:
$\small z_l = \frac{0,024+j0,08}{0,4}$ pu $\small= 0,06 + j0,2$ pu
(b) A tensão necessária para que o gerador mantenha a tensão na carga em 200 V.
Resolução do circuito:
$\small s = v i$
$\small i = \frac{s}{v} $
A corrente na carga, em pu, é:
$\small i = 1 $ pu
Adotando a corrente na carga com fase zero (carga como referência), tem-se que:
$\small i = 1 \angle 0^{\circ} = 1 + j0$
Como o fator de potência da carga é 0,8, indutivo, então o ângulo da carga $\small \gamma$ é:
$\small \gamma = 36,9^{\circ} $
Assim, a tensão na carga é:
$\small v = v \angle \gamma^{\circ} = 1 \angle 36,9^{\circ}$
A tensão no gerador $\small e_g$ é dada por:
$\small e_g = v + i z_l = 1,175 \angle 42,96^{\circ} $ pu
$\small E_g = \left({ 1,175 \angle 42,96^{\circ} }\right) \left({200 }\right) = 235 \angle 42,9^{\circ} $ V

Seja um sistema do tipo gerador-linha-carga. A tensão no gerador é 220 V/60 Hz. A carga é de impedância constante e absorve 10 kW, com fator de potência 0,7 indutivo, quando alimentada por uma tensão de 200 V. A impedância da linha é 1,28 + j0,80 $\small \Omega$ (tensão base: 200 V, potência base: 10 kVA). Calcular, em pu:
(a) Tensão na carga.
A potência ativa absorvida pela carga, $\small p_2$, quando alimentada por uma tensão de 200 V, expressa em pu, é:
$\small p_2 = \frac{P_2}{S_b} = \frac{10 kW}{10 kVA} = 1$ pu
A tensão na carga, $\small v_2 $, em pu, é:
$\small v_2 = \frac{V_2}{V_b} = 1$ pu
Tem-se que:
$\small p_2 = \frac{P_2}{S_b} = \frac{V_2 I {\rm{cos}} \theta }{S_b} = \frac{V_2}{V_b} \frac{I}{I_b} {\rm{cos}} \theta $
Assim:
$\small p_2 = v_2 i {\rm{cos}} \theta $
$\small i = \frac{p}{v_2 {\rm{cos}} \theta} \angle -{\rm{arccos}} \left({ 0,7 }\right) = \frac{1}{1 \cdot 0,7} \angle -{\rm{arccos}} \left({ 0,7 }\right)$ pu
$\small i = 1,429 \angle -45,57^{\circ} $ pu
A impedância da carga $\small z_c $ é:
$\small z_c = \frac{v_2}{i} = \frac{1}{1,429 \angle -45,57^{\circ}} = 0,7 \angle 45,57^{\circ} $
Observação: A corrente utilizada para o cálculo desta impedância da carga só é válida quando a tensão na carga for de 200 V (1 pu).
(b) A potência fornecida pelo gerador.
Como calcular?
Calcular a corrente fornecida pelogerador.
Calcular a tensão na carga.
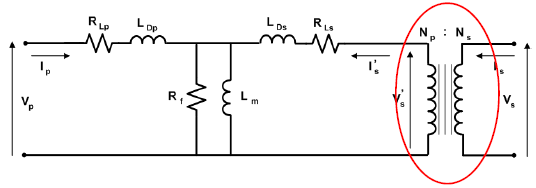
O transformador possui uma relação de tensão entre os terminais primários e secundários.
Portanto, a tensão base adotada no circuito onde está conectado o enrolamento primário do transformador difere da tensão base do circuito secundário (Exceto se a relação do transformador for de 1:1).
Dados Nominais de um Transformador:
Potência Nominal Aparente (MVA, kVA, VA).
Tensão Nominal do Enrolamento de Alta Tensão (kV, V).
Tensão Nominal do Enrolamento de Baixa Tensão (kV, V).
Impedância Equivalente ou de Curto-Circuito (% , pu).

Considerando o transformador ideal com a relação:
Considerando o transformador ideal com a relação:
tem-se que:
Seja um transformador ideal com relação de transformação $\small N_1$:$\small N_2$.
Seja $\small V_{b}$ a tensão base no primário.
Seja $\small V_{b'}$ a tensão base no secundário.
Fazendo:
e sabendo que:
tem-se:
Assim:
Procura-se que a relação de espiras, em pu, seja 1:1, isto é, que $\small v_1 = v_2$, então:
e
Sabemos que em um trafo ideal a potência que entra no primário é a mesma que sai no secundário, então:
Ou seja que:
e:
Para ter, em pu, potências iguais no primário e no secundário, as bases deverão ser iguais.
Em um transformador ideal, as relações das correntes são:
Assim:
$\small {I_2} = {I_1}\frac{{{N_1}}}{{{N_2}}} = {I_1}\frac{{{V_1}}}{{{V_2}}}$As correntes base são:
Portanto, as correntes, em pu, são:
Relação das impedâncias do transformador:
As impedâncias base são:
As impedâncias base são:
Portanto, as impedâncias, em pu, são:
Em pu, o transformador ideal passa a ser um transformador com relação 1:1, isto é:
$\small v_1 = v_2$
$\small i_1 = i_2$
$\small z_1 = z_2$
$\small s_1 = s_2$
Sendo que os valores base são dados por:
Em grandezas reais:

Em pu:

Geralmente:
O ramo magnetizante é desprezado.
As impedâncias série são concentradas.
Assim, o transformador real, em pu, torna-se:

Um transformador ideal de 100 kVA - 220/6600 V - 60 Hz, alimenta, no secundário, uma carga indutiva que consome sua potência nominal com fator de potência 0,7. Determinar, em pu:
(a) A potência aparente consumida pela carga.
Sendo $\small S_b = 100 $ kVA, a potência aparente consumida pela carga, $\small s_c$, em pu, é igual a:
$\small s_c = \frac{S_c}{S_b} = \frac{100}{100} = 1$ pu
(b) A potência ativa consumida pela carga.
A potência ativa consumida pela carga, $\small p_c$, em pu, é:
$\small p_c = \frac{P_c}{S_b} = \frac{S_c fp}{S_b} = \frac{100 \cdot 0,7}{100} = 0,7$ pu
(c) A impedância da carga.
A impedância da carga, $\small Z_{c,2}$, em valores reais, é igual a:
$\small Z_{c,2} = \frac{V_{Nom,2}^2}{S_{Nom}} = \frac{V_{c}^2}{S_{c}} = \frac{6600^2}{100 \times 10^3} = 435,6$ $\small \Omega$
O ângulo da impedância da carga, $\small \gamma$, é:
$\small \gamma = {\rm{arccos 0,7}} = 45,57 ^{\circ}$
A impedância base do lado secundário do transformador, $\small Z_{b,2}$, é igual a:
$\small Z_{b,2} = \frac{V_{Nom,2}^2}{S_{b}} = \frac{6600^2}{100 \times 10^3} = 435,6$ $\small \Omega$
Assim, a impedância da carga, em pu, do lado secundário do transformador, $\small z_{c,2}$, é:
$\small z_{c,2} = 1 \angle 45,57^{\circ}$ pu
(d) A impedância da carga refletida no primário, $\small Z_{c,1} $.
Cálculo de $\small Z_{c,1} $:
$\small Z_{c,1} = \left({ \frac{V_1}{V_2} }\right)^2 Z_{c,2} = \left({ \frac{220}{6600} }\right)^2 435,6 \angle 45,57^{\circ} = 0,484 \angle 45,57^{\circ} \Omega $
A impedância base do lado primário do transformador, $\small Z_{b,1}$, é igual a:
$\small Z_{b,1} = \frac{V_{Nom,1}^2}{S_{b}} = \frac{220^2}{100 \times 10^3} = 0,484$ $\small \Omega$
Assim, a impedância da carga, em pu, do lado primário do transformador, $\small z_{c,1}$, é:
$\small z_{c,1} = 1 \angle 45,57^{\circ}$ pu
Em pu, a impedância da carga (no secundário) e a impedância da carga refletida no primário são iguais, indicando que o transformador tem relação 1:1.
Departamento de Engenharia Elétrica